Zum Hauptinhalt springen

Capteur pour rainures PCE-RT2000-RP131

Capteur pour rainures PCE-RT2000-RP131

Référence: PCE-RT2000-RP131
GTIN (EAN):
DH 14,092.000
DH 16,910.400
Prix HT / Frais d'envoi non compris (DH 0.000 + TVA)
PCE-RT2000-RP131
Délai de livraison:1-2 jours ouvrés

Description

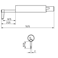
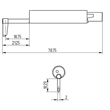
Capteur ou palpeur pour les rugosimètre PCE-RT 1200 et PCE-RT 2000 pour mesurer la rugosité des rainures. Vous pouvez utiliser ce capteur pour des rainures d'une largeur supérieure à 2,5 mm. Prenez en compte que la profondeur maximum de la rainure ne doit pas dépasser 10 mm.

Caractéristiques

- Extrémité du palpeur pour rainures
- Largeur minimum de la rainure : 2,5 mm
- Profondeur maximum de la rainure : 10 mm
- Pour l'utilisation de ce capteur, nous vous recommandons le banc d'essai PCE-RT2000-Teststand

Contenu de livraison

1 x Capteur pour rainures PCE-RT2000-RP131