Zum Hauptinhalt springen

Force Gauge PCE-C-R19LFC-H9 series 5-500 kg

Force Gauge PCE-C-R19LFC

Order no.: PCE-C-R19LFC
GTIN (EAN):
201,00 €
245,22 €
price ex. (VAT / delivery)
PCE-C-R19LFC
Delivery time:2 weeks

Description

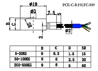
This is a pressure cell as a Force Gauge with a high measuring range with small dimensions. The dimensions of the Force Gauge are only 9 mm in height and 19 mm in diameter.







Specification

Rated load / force F.S. 5 / 10 / 20 / 50 / 100 / 200 / 500 kg
50 / 100 / 200 / 500 / 1000 / 2000 / 5000 N
! Rated load / force selectable !
Limit load / force 120 %
Breaking load / force 150 %
Rated output 1.0 – 1.5 mV/V
Operating range of supply voltage 2.5 V – 5 V
Maximum supply voltage 5 V
Deviations of the zero signal ± 2 % F.S.
Linearity deviation 0.5 % F.S.
Reverse voltage (hysteresis) 0.5 % F.S.
Repeatability 0.5 % F.S.
Stress creep (30 min) 0.1 % F.S.
Input resistance 350 ± 10 Ω
Output resistance 350 ± 3 Ω
Insulation resistance ≥5000 MΩ / 100 VDC
Nominal range of ambient temperature -10 … 60 °C / 14 ... 140 °F
Service temperature range -20 … 80 °C / -4 ... 176 °F
Temperature coefficient of characteristic value 0.1 % F.S. / 10 °C
Temperature coefficient of zero point 0.1 % F.S. / 10 °C
Sensor cable Ø 2 x 3 m / (ends open)
Cable assignment EXC+ = red
EXC- = black
SIG+ = green
SIG- =  white
GND = yellow
Material / measuring body stainless steel
Protection IP65
! N.B. Rated load / force selectable !

Downloads