Zum Hauptinhalt springen

Sensor de vento

Sensor de vento PCE-FST-200-201-U com saída de tensão Medição de ar

Referência: PCE-FST-200-201-U
GTIN (EAN):
1 pz.

Descrição

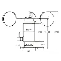
Sensor de vento robusto PCE-FST-200-201-U para instalação fixa / revestimento em pó / resistente a intempérie, devido as diversas vedações
O sensor de velocidade do vento é compatível com e pode ser conectado em uma ampla variedade de equipamentos de medição disponíveis. O sensor de velocidade do vento detecta até os menores movimentos do vento e as medições são transmitidas de forma analógica. O sensor está fabricado de uma liga de metal, que o protege contra a oxidação do ar e portanto previne a oxidação. Isto permite que o dispositivo seja utilizado nos lugares mais difíceis. As partes mais sensíveis estão protegidas com juntas, para evitar a penetração de água ou de pó fino. O sensor de velocidade do vento PCE-FST-200-201 é um anemômetro de conchas e é sensível a velocidade do vento mais baixa, menos de 0,5 m/s. O sensor de velocidade do vento está disponível em diversas versões com diferentes saídas. Este modelo de sensor está disponível com uma saída de 4 ... 20 mA e com uma saída de 0 ... 10 V DC.

Características

- Liga metálica
- Uma longa vida útil
- Proteção por várias selagens
- Sinal de saída analógica
- Fácil montagem
- Detecta as velocidades baixas do vento

Especificações

Especificações técnicas 
Sinal de saída0 ... 10 V DC (PCE-FST-200-201-U)
Fonte de alimentação 12 ... 36 V DC
Faixa de medição0,5 m/s ... 50 m/s
Medição desde ≤ 0,5 m/s
Precisão±0,5 m/s (<5 m/s)
± 3% da escala completa (≥5 m / s)
Saída de calor10 W a 24 V DC
Temperatura de funcionamento-20 ... 85° C em ≤95% U.r./H.r.
Velocidade máx. do vento70 m / s no máximo 30 minutos
Conexão de energiaM12
Tipo de proteçãoIP65

Conteúdo da remessa

Conteúdo enviado
1 x Sensor de velocidade do vento PCE-FST-200-201-U
1 x Conector M12
1 x Manual de instruções