Zum Hauptinhalt springen

Termohigrômetro USB - 5 unidades

Termohigrômetro USB PCE-HT 71N - 5 unidades

Referência: PCE-HT71N-5
GTIN (EAN):
1 pz.

Descrição

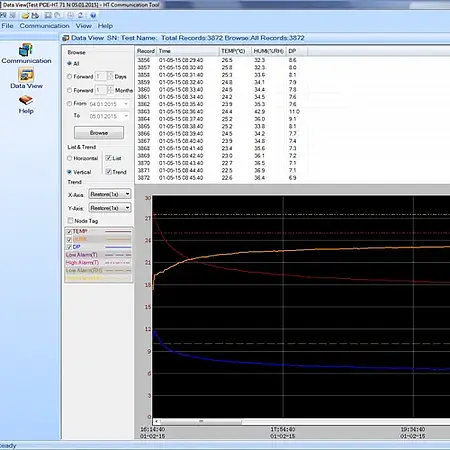
Termohigrômetro USB para medição de temperatura e umidade ambiente / Memória para 32.000 valores / Interface USB para transferência de dados / Caixa ABS com proteção IP67 / Software para o cálculo do ponto de orvalho / Alimentado por pilha

O termohigrômetro mede temperatura e umidade ambiente e armazena esses valores na memória interna. O termohigrometro é especialmente adequado para o setor de transporte. O termohigrômetro compacto e robusto registra até 32.000 valores (16.000 por parâmetro). Poderá definir livremente a quota de registro, entre 2 segundos e 24 horas. Dependendo do uso dado ao aparelho, a vida útil da pilha pode chegar a até 1 ano.

Além do setor de transporte, este termohigrometro é também ideal para balcões refrigerados, grandes armazéns, transportes refrigerados ou salas climatizadas. Uma vez ajustada a quota de registro, o termohigrômetro armazena os valores medidos em sua memória interna. Em seguida, poderá transferir os dados para um PC. Isto permite analisar os valores registrados de um período de tempo. Também é possível ativar o registro de dados a partir do PC. Outra possibilidade é iniciar o registro posteriormente in situ. Uma vez que estiver avaliando os valores em seu PC (o software vai incluído na remessa) também poderá calcular o ponto de orvalho.

Características

- Memória para 32.000 valores
- Interface USB
- Software para análise de dados
- Inclui suporte de parede
- Ajuste de data e hora
- Ajuste da quota de registro (2 s ... 24 h)
- Pilha de lítio de longa duração
- Memória EEPROM não volátil
- Indicação de estado por LED (alarme incluído)
- Ajuste dos valores limite de alarme
- Conjunto de 5 dispositivos

Especificações

Faixa0 ... 100% U.r. / -40 … +70°C
Precisão±3% U.r. / ±1°C
Resolução0,1% U.r. / 0,1°C
Data início / finalAjuste livre
Quota de registroAjuste livre: 2 segundos ... 24 horas
Indicação de estadoAtravés de 2 LEDs (registro em processo / alarme)
SensoresInternos (umidade e temperatura)
Memória32.000 valores (16.000 por parâmetro)
InterfaceUSB
SoftwareIncluído na remessa
Temperatura do ponto de orvalho     É calculado através do software uma vez transmitidos os dados (precisão ±2°C)
Alimentação1 pilha de lítio de 3,6 V
Posicionamento- Suporte de parede incluído na remessa
- Posição livre, por exemplo, sobre uma mesa
Dimensões106 x 24 x 24 mm
Peso25g (sem pilha)

Conteúdo da remessa

5 x Termohigrômetro PCE-HT 71N
5 x Suporte de parede
5 x Pilha
5 x Software
5 x Manual de instruções