Por favor, indique si autoriza a este sitio web a utilizar sólo las cookies necesarias o también las funcionales, tal y como se describe en el siguiente enlace:
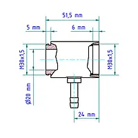
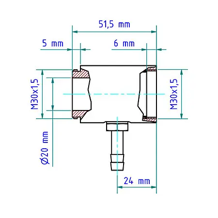
A purga de ar é utilizada para prevenir a contaminação da óptica
do pirómetro ou da placa de protecção. Uma conduta de ventilação circular garante uma purga óptima com um mínimo de utilização de ar.