Zum Hauptinhalt springen

Medidor de ponto de orvalho USB- 5 unidades

Medidor de ponto de orvalho PCE-HT 71N - 5 unidades

Referência: PCE-HT71N-5
GTIN (EAN):
1 pz.

Descrição

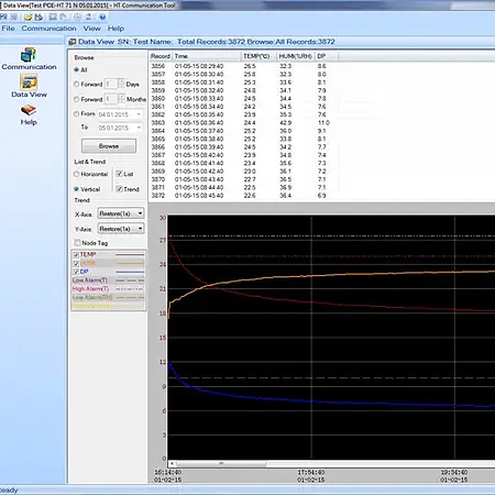
Medidor de ponto de orvalho USB para medição de temperatura e umidade ambiente / Memória para 32.000 valores / Interface USB para transferência de dados / Caixa ABS com proteção IP67 / Software para o cálculo do ponto de orvalho / Alimentado por pilha

O medidor de ponto de orvalho USB mede temperatura e umidade ambiente e armazena esses valores na memória interna. O medidor de ponto de orvalho é especialmente adequado para o setor de transporte. O medidor de ponto de orvalho compacto e robusto registra até 32.000 valores (16.000 por parâmetro). Poderá definir livremente a quota de registro, entre 2 segundos e 24 horas. Dependendo do uso dado ao aparelho, a vida útil da pilha pode chegar a até 1 ano.

Além do setor de transporte, este medidor de ponto de orvalho é também ideal para balcões refrigerados, grandes armazéns, transportes refrigerados ou salas climatizadas. Uma vez ajustada a quota de registro, o medidor de ponto de orvalho armazena os valores medidos em sua memória interna. Em seguida, poderá transferir os dados para um PC. Isto permite analisar os valores registrados de um período de tempo. Também é possível ativar o registro de dados a partir do PC. Outra possibilidade é iniciar o registro posteriormente in situ. Uma vez que estiver avaliando os valores em seu PC (o software vai incluído na remessa) também poderá calcular o ponto de orvalho.

Características

- Memória para 32.000 valores
- Interface USB
- Software para análise de dados
- Inclui suporte de parede
- Ajuste de data e hora
- Ajuste da quota de registro (2 s ... 24 h)
- Pilha de lítio de longa duração
- Memória EEPROM não volátil
- Indicação de estado por LED (alarme incluído)
- Ajuste dos valores limite de alarme
- Conjunto de 5 dispositivos

Especificações

Faixa0 ... 100% U.r. / -40 … +70°C
Precisão±3% U.r. / ±1°C
Resolução0,1% U.r. / 0,1°C
Data início / finalAjuste livre
Quota de registroAjuste livre: 2 segundos ... 24 horas
Indicação de estadoAtravés de 2 LEDs (registro em processo / alarme)
SensoresInternos (umidade e temperatura)
Memória32.000 valores (16.000 por parâmetro)
InterfaceUSB
SoftwareIncluído na remessa
Temperatura do ponto de orvalho     É calculado através do software uma vez transmitidos os dados (precisão ±2°C)
Alimentação1 pilha de lítio de 3,6 V
Posicionamento- Suporte de parede incluído na remessa
- Posição livre, por exemplo, sobre uma mesa
Dimensões106 x 24 x 24 mm
Peso25g (sem pilha)

Conteúdo da remessa

5 x Medidor de ponto de orvalho PCE-HT 71N
5 x Suporte de parede
5 x Pilha
5 x Software
5 x Manual de instruções