Zum Hauptinhalt springen

Wind Speed Meter PCE-FST-200-201-H-I

Wind Speed Meter PCE-FST-200-201-H-I

Order no.: PCE-FST-200-201-H-I
GTIN (EAN):
AED 1,522.00
AED 1,598.10
price ex. (customs / clearance)
PCE-FST-200-201-H-I
Delivery time:1-2 working days

Description

Wind Speed Meter PCE-FST-200-201-H-I
Robust wind sensor for permanent installation / Powder coating /
Weatherproof, by use of seals / Heating

The wind speed sensor is compatible with and can be mounted on to a wide variety of available measuring equipment. The sensor will detect even the minutest movements of air and the results are then output in analogue form.
 
The sensor is manufactured from corrosion resistant alloy, thus making it impervious to oxidation or rust. This allows the device to be used in the toughest environments. Sensitive parts are protected with seals, to prevent the ingress of water or fine dust. A heating element prevents the sensor from freezing. The PCE-FST-200-201-H wind speed sensor is a cup anemometer and is sensitive to wind speed down to as little as, less than 0.5 meters per second. The wind speed sensor is available in different versions with different outputs. This one is available with 4 … 20-mA output and a 0 … 10V DC output.

Highlights

- Alloys
- Heating
- Seal protection
- Analogue output signal
- Easy assembly
- Detects minutest movements of air

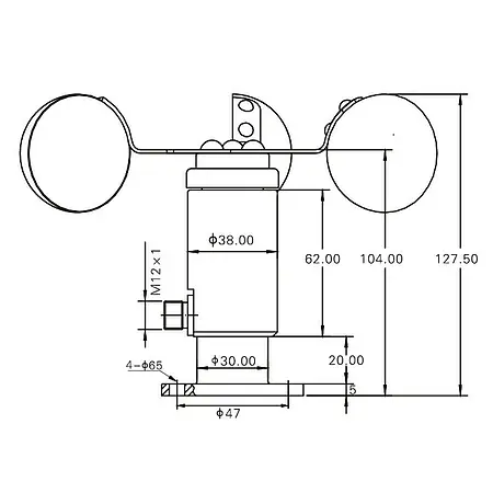
Specification

Output signal 4 … 20-mA
Operating voltage12 … 36V DC
Measurement reading range0.5 m/s … 50 m/s (1.1 ... 111.8 mph)
Measurement readings from≤ 0.5 m/s (1.1 mph)
Measurement reading accuracy      ± 0.5 m/s (1.1 mph), (< 5 m/s (11.2 mph))
± 3% from scale end value
Heat output10 W at 24V DC
Operating temperature range-20 … 85°C / -4 ... 185°F, at ≤ 95% rel. humidity
Maximum wind speed70 m/s (156.6 mph) at max. 30 minutes
Power connectionM12
Protection classIP55

Delivery Scope

1 x Wind Speed Meter PCE-FST-200-201-H-I
1 x Plug M12
1 x 3 m / 9.8 ft cable
1 x Operating Manual