Zum Hauptinhalt springen

Groove Sensor PCE-RT2000-RP131

Order no.: PCE-RT2000-RP131
GTIN (EAN):
AED 5,847.00
AED 6,139.35
price ex. (customs / clearance)
PCE-RT2000-RP131
Delivery time:1-2 working days

Description

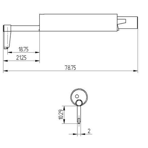
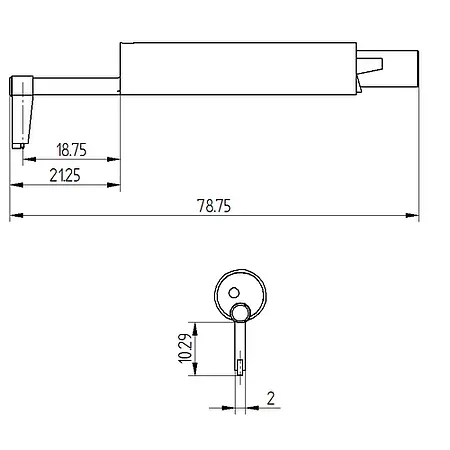
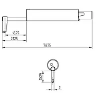
Probe for the PCE-RT 1200 and PCE-RT 2000 for measuring the roughness of grooves. The sensor can be used for grooves that are more than 2.5 mm wide. The groove depth must not exceed 10 mm.


N.B. It is recommended to use this sensor with the test stand PCE-RT2000-Teststand.


Highlights

- Probe for grooves
- Minimum groove width: 2.5 mm
- Maximum groove depth: 10 mm

Delivery Scope

1 x Groove sensor PCE-RT2000-RP131